-2026- 01/24

焚题库

来源

题库

APP

客服

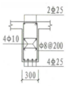
347、如图所示,梁3-3截图的截面配筋图应
单选题 347、如图所示,梁3-3截图的截面配筋图应为()。

A.

B.

C.

D.

正确答案: A

登录查看解析 进入题库练习

答案解析:

相关知识:201-400区间试题 

你可能感兴趣的试题

  • 2462、下列论述中,不正确的是()。
    查看试题
  • 2468、下列关于梁的纵向受力钢筋的论述中,错误的是()。
    查看试题
  • 2348、常用的风险应对策略包括()。
    查看试题
  • 2349、下列质量风险应对策略中,属于风险转移策略的是()。
    查看试题
  • 2083、根据《建筑施工企业安全生产管理机构设置及专职安全生产管理人员配备办法》,某4万m2的建筑工程项目部应配备专职安全生产管理人员的最少人数是()名。
    查看试题
  • 2121、施工成本控制的工作内容之一是计算出分析()之间的差异。
    查看试题

在线刷题

题库APP

题库小程序