焚题库
银行从业
切换考试
做题记录
我的错题
我的收藏
题库笔记
我的题库
试题答疑
试题纠错
建设工程造价案例分析(土木建筑工程)
切换
会员包含
全部题量
14题
临考密卷
2套
模拟试卷
2套
试题答疑
不限次数
有效期
12个月
更多特权
¥40.00
立即开通
当前位置:
首页
>
造价工程师
>
试卷列表
>
2025年造价工程师《造价案例分析(土木建筑工程)》临考密卷(一)
APP
做题
手机在线做题
2025年造价工程师《造价案例分析(土木建筑工程)》临考密卷(一)
年份:2025年
类型:考前试题
总分:120.00分
时长:240分钟
题量:14
做题人数:0人
练习模式
考试模式
题型介绍
一、案例分析题(选择题)
(题目分为若干组,每组题目根据所给材料进行答题。
A企业拟招标进行某房屋建筑工程建设,项目属于中央预算内投资项目,项目可研批准工程估算6250万元,批准工程概算6200万元,工程最高投标限价6100万元。工程采用EPC(设计-采购-施工)总承包方式,依据拟建工程已批复的初步设计进行项目的施工图设计、采购、施工的工程总承包公开招标,3月1日9:00在招标网站发布了招标文件,招标文件规定:不进行资格预审,评标时进行资格审查;投标截止时间4月17日15:00。投标截止时,B、C、D和E四家投标人递交了投标文件和提交了投标保证金。在4月16日17:00,招标人收到F投标人撤回投标文件的书面通知。
B投标人对招标文件进行了仔细分析,发现招标人所提出的工期要求过于苛刻,且合同条款中规定每拖延1天工期罚合同价的1%。若要保证实现该工期要求,必须采取特殊措施,从而大大增加成本;还发现初步设计中原设计结构方案采用框架-剪力墙体系过于保守。因此,该投标人在投标文件中说明招标人的工期要求难以实现,因而按招标文件要求的工期和自己认为的合理工期(比招标人要求的工期增加6个月)编制施工进度计划分别报价;还建议将框架-剪力墙体系改为框架体系,并对这两种结构体系进行了技术经济分析和比较,证明框架体系不仅能保证工程结构的可靠性和安全性、增加使用面积、提高空间利用的灵活性,而且可降低造价约3%,并按照框架-剪力墙体系和框架体系分别报价。
B投标人将技术标和商务标分别封装,在封口处加盖本单位公章和项目经理签字后,在投标截止日期前1天上午将投标文件报送招标人。次日(即投标截止日当天)下午,在规定的开标时间前1小时,该投标人又递交了一份补充材料,其中声明将原报价降低4%。但是,招标人的有关工作人员认为,根据国际上“一标一投”的惯例,一个投标人不得递交两份投标文件,因而拒收该投标人的补充材料。
开标会由市招标投标办的工作人员主持,各投标人代表均到场。开标前,工作人员对各投标人的资质进行审查,并对所有投标文件进行审查,发现C投标人的投标文件委托代理人签字处未签字,确认C投标人的投标文件未满足形式评审要求,C投标人的投标为无效投标文件。评标委员会和主持人简单商议并同建设单位沟通后决定:由于工程项目工期紧张,建设工作不能延误,对合格的B、D和E投标人的投标文件正式开标。主持人宣读投标人名称、投标价格、投标工期和有关投标文件的重要说明。经过评标等相关程序,最终,D投标人以6000万元报价中标,D投标人和A企业签订了EPC工程总承包合同,将该工程的设计、采购、施工任务委托总承包商进行EPC工程总承包。
签订合同时,EPC合同第二部分通用条款对合同价款及调整进行了约定,合同价款为固定总价,任何一方不得擅自改变,合同价款所包括的工程内容为初步设计范围所包含的工程范围。EPC合同专用条款又约定该合同价款(暂估)为6000万元。
【问题】
【正确答案-参考解析】:参加考试可见
二、案例分析题
(本题共3小题,每小题20分,共80分。
某造价咨询公司接受了A,B两项业务。
A业务是受某省政府委托,对某设计院提出的基础交通设施项目的A,B,C三个设计方案进行评价。
该工程的设计使用年限为50年,基准折现率为6不考虑建设期差异的影响,每次大修给业主带来的经济损失为5万元(计入成本),各方案均无残值,其中A方案建设及运营期间的基础数据汇总见表2-1,资金时间价值系数见表2-2。
B业务是为某国有资金投资的某重点工程项目招标人编制招标文件。
该项目计划于2022年8月8日开工,招标人拟采用公开招标方式进行项目施工招标。
2022年1月8日,已通过资格预审的A,B,C,D,E,F六家施工承包商拟参与该项目的投标。
招标文件中规定该项目的最高投标限价为3568万元,招标清单中的暂列金额为280万元,所有投标保证金统一定为70万元。投标过程中,投标人F在开标前1小时书面告知招标人,撤回了已提交的投标文件,除F外还有A,B,C,D,E五个投标人参加了投标,其总报价分别为3489万元、3470万元、3358万元、3209万元、3542万元。评标过程中,评标委员会发现投标人B的暂列金额按260万元计取,且对招标清单中的材料暂估单价均下调5%后计入报价;发现投标人E报价中混凝土梁的综合单价为700元/m
3
,招标清单工程量为520m
3
,合价为36400元。其他投标人的投标文件均符合要求。
招标文件中规定的评分标准如下:商务标中的总报价评分60分,有效报价的算术平均数为评标基准价,报价等于评标基准价者得满分(60分),在此基础上,报价比评标基准价每下降1%,扣1分;每上升1%,扣2分。
最后投标人C中标,双方于2022年5月8日签订了固定总价合同,中标价为3358万元,
合同工期为470天。合同约定:实际工期每拖延1天,逾期罚款为2万元;实际工期每提前
1天,奖励1万元。投标人C的造价工程师对该项目进行了成本分析,其工程成本最低的工期为500天,相应的成本为3100万元,在此基础上,工期每缩短1天,需增加成本10万元;工期每延长1天,需增加成本5万元。在充分考虑施工现场条件和本公司人力、施工机械条件的前提下,该项目最可能的工期为485天。
【问题】
1.根据A业务中已知数据,计算该业务中A方案全寿命周期年度费用。如果已知B方案的全寿命周期费用效率为3.21,C方案的全寿命周期费用效率为4.18,采用费用效率法选择最佳设计方案(每年按360天计算)。
2.根据招标文件的评分标准,列式计算各有效报价投标人的总报价得分。
3.列式计算投标人C的投标报价浮动率。在确保该项目不亏本的前提下,该投标人允许工程的最长工期为多少天?
4.若按最可能的工期组织施工,该项目的利润额为多少?相应的成本利润率为多少?
(计算结果保留两位小数)
【正确答案-参考解析】:参加考试可见
三、案例分析题(土建)
(本题1小题,共40分。
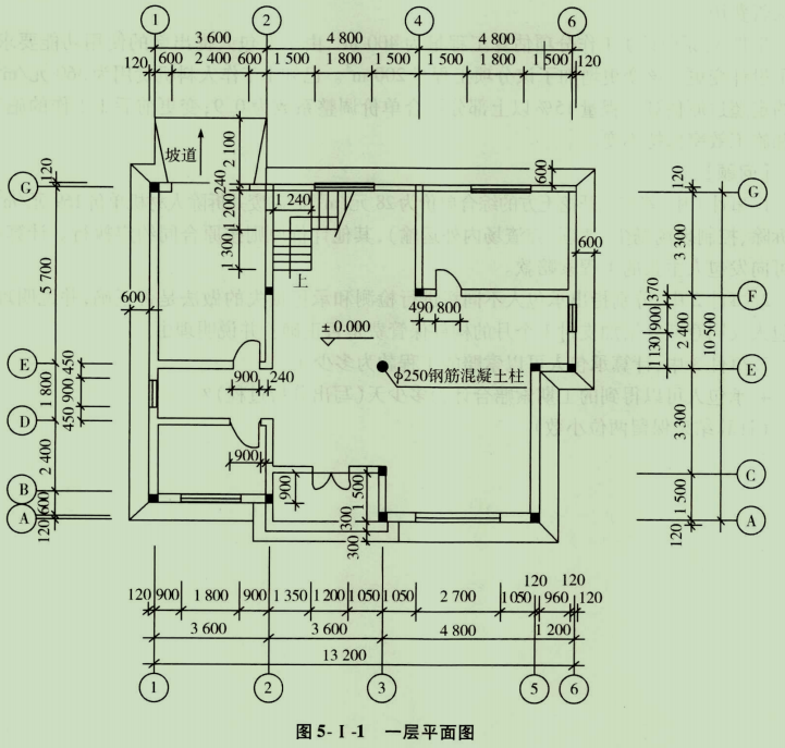
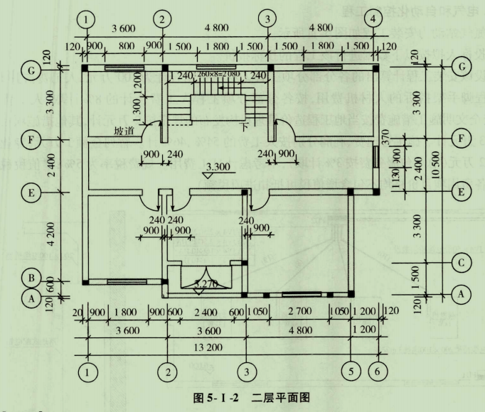
某拟建工程为二层砖混结构,一砖外墙,层高3.3m,平面图如图5-I-1、图5-I-2所示(图中所示墙体均为240mm,轴线居中)。
【问题】
1.计算该工程建筑面积。
2.计算该工程的平整场地清单工程量。
3.某施工单位承担此工程土建部分的施工。拟定平整场地施工方案是在图样④轴、G轴、
①轴、⑥轴外墙外边线的基础上四周各放出2m,按矩形面积进行平整。已知该施工单位人工
平整场地的定额见表5-I-1,项目编码为010101001,人工单价为60元/工日,管理费取人工
费、材料费、施工机具使用费之和的12%,利润取人工费、材料费、施工机具使用费、管理费之和的4.5不考虑风险。求平整场地的清单综合单价,并填写完成表5-I-2“分部分项工程量清单与计价表”。(计算结果保留两位小数)
【正确答案-参考解析】:参加考试可见
切换科目
建设工程造价案例分析(土木建筑工程)
切换考试
已购买考试
(0)
建筑工程
财会经济
职业资格
医学考试
外语考试
学历考试
一级建造师
二级建造师
消防工程师
土建中级职称
造价工程师
二级造价工程师
消防设施操作员
公路水运试验检测师
监理工程师
房地产经纪人
安全工程师
房地产经纪人协理
安全员
材料员
质量员
施工员
资料员
劳务员
机械员
注册建筑师
咨询工程师
高级经济师
高级会计师
初级会计师
中级会计师
中级经济师
初级经济师
注册会计师
中级审计师
初级审计师
银行从业
基金从业资格
证券从业资格
中级统计师
初级统计师
税务师
期货从业资格
健康管理师
家庭教育指导师
文职
新闻记者
演出经纪人资格证
不动产登记代理人
专利代理师
拍卖师
广播电视播音员
湖南计算机水平考试
人力资源管理师
教师资格证
出版专业资格考试
育婴师
公共营养师
心理咨询师
社会工作者
执业药师
执业兽医
执业医师
医学高级职称(副高)
医学高级职称(正高)
护士资格证
初级护师
主管护师
主治医师
医学初级职称
翻译资格
成人高考
自考
考研
统招专升本