-2025- 09/21

焚题库

来源

题库

APP

客服

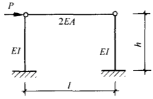
图示结构中,哪种结构顶水平位移最小?
单选题 图示结构中,哪种结构顶水平位移最小?

A.PjfuKSRmO9.png

B.Nxm8vyVndZ.png

C.0A6waevOqB.png

D.t6BRoJFkPn.png

正确答案: D

登录查看解析 进入题库练习

答案解析: 无

相关知识:三、建筑力学 

你可能感兴趣的试题

  • 下列哪种用电设备工作时会产生高次谐波?()。
    查看试题
  • 建筑高度超过100m的建筑物,其设在屋顶平台上的共用天线,距屋顶直升机停机坪的距离不应小于下列哪个数值?()。
    查看试题
  • 国家级的会堂划为哪一类防雷建筑物?()。
    查看试题
  • 关于高压和低压的定义,下面哪种划分是正确的?()。
    查看试题
  • 有线电视系统应采用哪一种电源电压供电?()。
    查看试题
  • 关于冷却塔的设置规定,下列做法中错误的是()。
    查看试题

在线刷题

题库APP

题库小程序