剩余电流动作保护又称为漏电保护,是利用剩余电
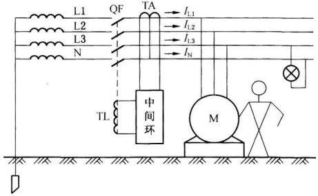
单选题 剩余电流动作保护又称为漏电保护,是利用剩余电流动作保护装置来防止电气事故的一种安全技术措施。其装置和工作原理图如下图所示,下列关于剩余电流动作保护的工作原理,说法正确是()。


A.M电动机漏电,人触碰后形成短路,促使中间环节T1动作,发出信号导致熔断器熔断以切断供电电源
B.TA表示零序电流互感器,由TA获取漏电信号,经中间环节放大电信号,使QF跳闸
C.M电动机外壳发生漏电,能够通过电气设备上的保护接触线把剩余电流引入大地
D.剩余电流直接促使电气线路上的保护元件迅速动作断开供电电源
正确答案: B
答案解析: 剩余电流动作保护装置的工作原理:剩余电流动作保护装置由检测元件、中间环节、执行机构三个基本环节及辅助电源和试验装置构成。检测元件的作用是将漏电电流信号转换为电压或功率信号输出给中间环节。中间环节通常设有放大器、比较器等,对来自零序电流互感器的漏电信号进行处理。
相关知识:第二节 触电防护技术
你可能感兴趣的试题
- 凡确认不能使用的爆炸性物品。必须予以销毁,销毁前应报告当地公安部门,并选择适当的地点、时间及销毁方法。下列爆炸性物品销毁方法中,错误的是()。
查看试题 - 针对危险化学品的泄漏控制与销毁处置应提出合理的措施,下列有关废弃物的销毁处置方法,说法不正确的是()。
查看试题 - 根据《常用化学品危险品贮存通则》(GB15630)的规定,下列有关危险化学品储存的基本要求,说法错误的是()。
查看试题 - 化学品在运输中发生事故的情况比较常见,全面了解掌握化学品的安全运输规定,对降低运输事故具有重要意义。下列有关危险化学品运输安全技术要求,说法正确的有()。
查看试题 - 运输危险化学品的企业应当全面了解并掌握有关化学品安全运输规定,降低运输事故发生的概率,保证运输的安全。下列危险化学品的运输行为中,符合安全要求的是()。
查看试题 - 危险化学品的经营和储存应符合《危险化学品经营企业开业条件和技术要求》(GB18265)的规定,下列有关其经营场所和储存设施应满足的要求,错误的有()。
查看试题
当前位置: